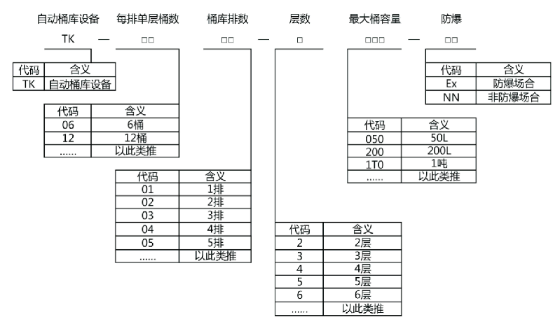
AG贵宾会智造出品的200L全自动进出桶库,空间上本桶库不同与传统的立体库和缓存库,更不需要堆高穿梭车等高额的成本,本桶库可利用更小的控制储存更多的200L桶同时大大降低投入成本;系统控制上本桶库采用PLC控制,不同与传统立体库需要复杂的仓库管理系统,操作更加简单方便,一键选择确定出桶和入桶。
适用于涂料,油墨,树脂,溶剂、胶粘剂,润滑油等流动化工液体全自动灌装。
将空桶提升到位叠加储存,节省高度空间和占地面积;每次恒定升降高度,底层桶直接顶起上面桶向上升起,操作简单,无复杂的控制,机械固定被提升的桶,安全可靠,不受气源影响。固定桶装置,为倒钩气动安全装置,即使断气也不会出现吊桶等异常事故。轻松实现产品的提升和转运,具有工作稳定可靠,操作简便等特点。

全新倒钩堆叠式立体货架,充分利用空间,直接将桶与桶之间垂直堆叠,不需多余分桶装置
倒钩堆叠式货架利用液压升降将桶提升到设定高度,倒钩定住桶,反复将桶一层一层磊高,卸桶也是采用同样的方式一层一层取桶
大大节省工业领域厂库/厂房空间的利用率,配合生产线智能入库出库,入库出库过程中无需堆高车来回穿梭、直接输送入库出库速度快等
每次恒定升降高度,有效的避免高空危险,底层桶直接顶起上面桶向上升起,控制和操作简单,机械固定被提升的桶,安全可靠
固定桶装置:为倒钩气动安全装置,桶挂在导购上桶越多越牢固,即使断电、断气也不会出现掉桶等异常事故,系统直接采用PLC与HMI操作使用,操作简单方便
PLC软件控制,采用触摸屏操作界面,画面清晰简单,操作方便,工作稳定可靠
操作模式可选自动控制或人工控制
人工可选择指定货架的储存桶和出桶
货架可自动记忆补桶
可应用于各种防爆/非防爆场合,根据用户需求定制