适用范围:15L-200L桶装物自动码垛。

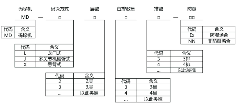
例:MD-J243-Ex表示码垛机参数为:采用多关节机械臂式码垛,摆放2层桶,首排数量4个,排数3排,防爆场合。
与15L-200L桶自动灌装线配套,将成品桶通过机械手码放在托板上,叉车叉走
整机由机架、工位传感器、定位装置、机械手、输送系统、上托盘系统、出垛板系统等组成
堆垛数量可以根据客户需求定做
序号 | 项目 | 性能 |
1 | 码垛能力 | ≥12 托/h,即≥180 桶/h |
2 | 码垛速度 | 700桶/小时 |
3 | 配备电源 | AC380 +10%-15% 50hz±2HZ |
4 | 功率 | 7.3kw |